El transformador de líneas series EE/EI/EF/EEL se usa normalmente en varios interruptores, cargadores, etc., de tamaño pequeño y mediano. Posee una lámina de acero de silicona, confiriéndole baja pérdida de magnetización del núcleo, alta permeabilidad, gran saturación magnética y gran eficiencia de transferencia.
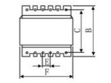
Parámetros



| Modelo | Número de patillas | Dimensiones (mm) | |||||
| A | B | C+/-0.5 | D+/-0.5 | E+/-0.5 | F | ||
| EE-8.3 | 6 | 8 | 8 | 6 | 4 | 2.5 | 8.3 |
| EE-10 | 8 | 11.5 | 10.2 | 8 | 4 | 2.5 | 10.2 |
| EE-13 | 10 | 12 | 12.5 | 8.5 | 4 | 2.5 | 13 |
| EE-16-1 | 6 | 14.8 | 13.3 | 9 | 4 | 3 | 16 |
| EE-16-2 | 10 | 15.4 | 13 | 10.5 | 4 | 3.2 | 17.1 |
| EEL-16 | 10 | 28.5 | 16 | 12.3 | 4 | 4.3 | 21.9 |
| EE-19-1 | 8 | 17.6 | 16 | 10 | 4 | 5 | 19 |
| EE-19-2 | 10 | 17.2 | 16.2 | 13 | 4 | 3.9 | 20 |
| EEL-19 | 10 | 31.5 | 16 | 10.5 | 4 | 4 | 21.1 |
| EEL-19-1 | 10 | 15.6 | 30 | 24.1 | 4 | 3.5 | 21 |
| EE-25-1 | 6 | 20 | 18.2 | 12.5 | 4 | 6.3 | 25.2 |
| EE-25-2 | 8 | 21.7 | 17.5 | 12.6 | 4 | 5 | 25.2 |
| EE-25-3 | 10 | 22.2 | 25 | 15.4 | 4 | 5 | 26.1 |
| EEL-25 | 8 | 35.3 | 17.5 | 12.5 | 4 | 5 | 25.2 |
| EE-30 | 10 | 21 | 29.2 | 25.2 | 4 | 5 | 30 |
| EE-40 | 14 | 27.6 | 30.5 | 25.8 | 4 | 5 | 40 |
| EE-42/15-1 | 12 | 33.8 | 44 | 35.5 | 4 | 5 | 42 |
| EE-42/15-2 | 16 | 41.3 | 48 | 37.5 | 4 | 5 | 42 |
| EE-42/15-3 | 18 | 48.7 | 32 | 27.5 | 4 | 5 | 45.1 |
| EE-42/20-1 | 12 | 45 | 39.8 | 32.5 | 4 | 5 | 42 |
| EE-42/20-2 | 16 | 44.2 | 50 | 37.8 | 4 | 5 | 42.2 |
| EE-42/20-3 | 18 | 44.1 | 37 | 27.3 | 4 | 5 | 45.3 |
| EE-50 | 20 | 50 | 50 | 45.5 | 4 | 5 | 55 |
| EE-65 | 16 | 55.2 | 51.8 | 40 | 4 | 5 | 65 |
| EE-70 | 18 | 59.5 | 56.8 | 50 | 4 | 5 | 70 |
Southern Group es un fabricante de transformadores electrónicos a medida fundada hace más de 30 años. Hemos manufacturado grandes cantidades de transformadores de alta frecuencia, sobre todo para los fabricantes de interruptores y cargadores. Esta experiencia nos ha conferido una amalgama de modelos que han ido añadiéndose a nuestro catálogo. Por si fuera poco, fabricamos transformadores electrónicos a medida, además de otros componentes como resistores e inductores.
Changzhou Southern Electronic Element Factory Co., Ltd.
Dirección: West No.6 Building, Xinxin Intelligent Industrial Park, No.1 Xinchang Road, Wuxing Street, Zhonglou District, Changzhou City, Jiangsu Province, P. R. China.
Persona de contacto: Safe Liu
Fax: +86-0519-83295710
Tel.: +86-0519-83976620