Las resistencias megaohmios se utilizan principalmente para el testeo de corriente. Aunque las resistencias megaohmios tienen poca resistencia, poseen mayor capacidad de conducción de la electricidad, y una mejorada resistencia a temperaturas altas, lo cual incrementa su vida útil.
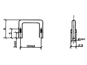
Resistencia megaohmios, de alambre circular| Potencia nominal (W) | Intervalo de resistencia (mΩ) | Dimensiones ( mm ) | |
| H | Φ | ||
| 2 | 5~10 | < 20 | 1.6 |
| 2 | 5~20 | < 20 | 1.4 |
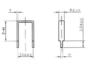
| Potencia nominal (W) | Intervalo de resistencia (mΩ) | Dimensiones (mm) | |||
| H | B | t | t1 | ||
| 2 | 10 〜20 | < 20 | 1.8-2.7 | 0.9 | 0.8 |
| 3 | 5~10 | < 20 | 3.1 | 0.9 | 0.8 |
| 4 | 3~10 | < 20 | 3.7 | 1.1 | 1.8 |
| 5 | 3〜10 | < 20 | 3.7 | 1.1 | 1.8 |
| Potencia nominal (W) | Intervalo de resistencia (mΩ) | Dimensiones ( mm ) | |||
| H | B | t | t1 | ||
| 2 | 20-50 | < 20 | 1.8-2.7 | 0.9 | 0.8 |
| 3 | 20-50 | < 20 | 3.1 | 0.9 | 0.8 |
| 4 | 10-60 | < 20 | 3.7 | 1.1 | 1.8 |
| < 20 | 3.7 | 1.1 | 1.8 | ||
Las resistencias megaohmios sirven para el calibrado de corriente. Los tres modelos de resistencias megaohmios aquí expuestas poseen distintos intervalos de resistencia. Nuestros 30 años de crecimiento nos han permitido fabricar una enorme variedad de componentes electrónicos pasivos como resistores, inductores y transformadores, así como la fabricación a medida de sus respectivas series y modelos.
Changzhou Southern Electronic Element Factory Co., Ltd.
Dirección: West No.6 Building, Xinxin Intelligent Industrial Park, No.1 Xinchang Road, Wuxing Street, Zhonglou District, Changzhou City, Jiangsu Province, P. R. China.
Persona de contacto: Safe Liu
Fax: +86-0519-83295710
Tel.: +86-0519-83976620