El núcleo del transformador de líneas series PQ/EQ/LP es de un tamaño mayor que el de los núcleos magnéticos normales, haciéndolo ideal para su uso como transformador pequeño de alta potencia. Este modelo de transformador tiene un núcleo cilíndrico, para un bobinado sencillo y gran capacidad de alambres de cobre. El núcleo magnético está compuesto de ferrita, para cumplir los requisitos del transformador de potencia, reduciendo la pérdida magnética y la pérdida de cobre. Su gran superficie le confiere resistencia a altas temperaturas y blindaje magnético.
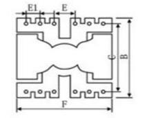
Parámetros
| Modelo | Número de patillas | Dimensiones (mm) | ||||||
| A | B | C+/-0.5 | D+/-0.5 | E | EL | F | ||
| PQ2016 | 14 | 18.5 | 23.2 | 20.6 | 4 | 5 | 3.8 | 23.1 |
| PQ2020 | 14 | 22.3 | 23 | 20.3 | 4 | 5 | 3.8 | 23 |
| PQ2620 | 12 | 20 | 29.3 | 25.4 | 4 | 7.7 | 3.8 | 26.6 |
| PQ2625 | 12 | 28.5 | 29.6 | 25.5 | 4 | 7.62 | 3.8 | 27 |
| PQ3220 | 12 | 23.5 | 34.4 | 30.7 | 4 | 7.62 | 5.08 | 32.4 |
| PQ3230 | 12 | 33.5 | 34.2 | 30.7 | 4 | 7.52 | 5.08 | 32.3 |
| PQ3535 | 12 | 37.5 | 39.1 | 35.6 | 5 | 10.16 | 5.08 | 35 |
| PQ4040 | 12 | 41.5 | 42 | 38 | 5 | 15 | 5 | 40 |
| PQ5050 | 12 | 48.5 | 49.4 | 45.4 | 5 | 12.5 | 7.5 | 50 |
Southern Group es un fabricante de transformadores electrónicos a medida fundada hace más de 30 años. Hemos manufacturado grandes cantidades de transformadores de alta frecuencia, sobre todo para los fabricantes de interruptores y cargadores. Esta experiencia nos ha conferido una amalgama de modelos que han ido añadiéndose a nuestro catálogo. Por si fuera poco, fabricamos transformadores electrónicos a medida, además de otros componentes como resistores e inductores.
Changzhou Southern Electronic Element Factory Co., Ltd.
Dirección: West No.6 Building, Xinxin Intelligent Industrial Park, No.1 Xinchang Road, Wuxing Street, Zhonglou District, Changzhou City, Jiangsu Province, P. R. China.
Persona de contacto: Safe Liu
Fax: +86-0519-83295710
Tel.: +86-0519-83976620