El transformador de líneas series RM/POT posee un núcleo magnético de fuente de alimentación conmutada envuelta en alambre de cobre de poca radiación, buena interferencia electromagnética, baja pérdida, alta eficiencia, alta frecuencia de trabajo, propiedades anti interferencias y buena regulación de la temperatura. Este modelo se suele usar para la fabricación de transformadores de comunicación y transformadores de alta frecuencia de pequeño y mediano tamaño.
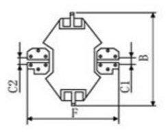
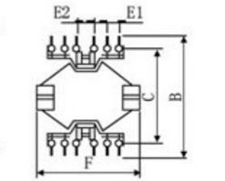
Parámetros
| Modelo | Número de patillas | Dimensiones (mm) | ||||||||
| A | B | C1 | C2 | D+/-0.5 | E1 | E2 | E3 | F | ||
| RM-4 | 6 | 7.8 | 13.5 | 1.8 | 3.6 | 4.2 | 7.2 | 10.8 | 12.6 | |
| RM-5 | 6 | 7.2 | 15.5 | 1.8 | 3.6 | 4.4 | 10.8 | 14.4 | 16 | |
| RM-6 | 6 | 13.5 | 18.5 | 1.8 | 3.6 | 4.7 | 14.4 | 18 | 20.7 | |
| RM-6-1 | 8 | 12.8 | 18.5 | 15.2 | 4.2 | 3.8 | 5.08 | 18.5 | ||
| RM-8 | 12 | 12.1 | 23.5 | 3.6 | 7.2 | 5 | 14.4 | 18 | 21.6 | 24 |
| RM-8-1 | 12 | 17.5 | 29.5 | 20.3 | 4.4 | 3.8 | 5.08 | 23.4 | ||
| RM-10 | 12 | 13.4 | 28.5 | 3.6 | 7.2 | 4 | 18 | 21.6 | 28.1 | |
| RM-10-1 | 12 | 19.6 | 39.4 | 28 | 4.5 | 3.8 | 5.12 | 20 | 23.3 | |
| RM-12 | 12 | 17.7 | 38.5 | 3.6 | 10.8 | 6.3 | 21.5 | 28.7 | 35.9 | 38.5 |
| RM-12-1 | 12 | 23.7 | 45.2 | 33 | 4.5 | 5.08 | 5.1 | 28.4 | ||
| RM-14 | 12 | 29 | 48.4 | 35.6 | 4.8 | 5.08 | 7.62 | 31.4 | ||
Southern Group es un fabricante de transformadores electrónicos a medida fundada hace más de 30 años. Hemos manufacturado grandes cantidades de transformadores de alta frecuencia, sobre todo para los fabricantes de interruptores y cargadores. Esta experiencia nos ha conferido una amalgama de modelos que han ido añadiéndose a nuestro catálogo. Por si fuera poco, fabricamos transformadores electrónicos a medida, además de otros componentes como resistores e inductores.
Changzhou Southern Electronic Element Factory Co., Ltd.
Dirección: West No.6 Building, Xinxin Intelligent Industrial Park, No.1 Xinchang Road, Wuxing Street, Zhonglou District, Changzhou City, Jiangsu Province, P. R. China.
Persona de contacto: Safe Liu
Fax: +86-0519-83295710
Tel.: +86-0519-83976620