Los resistores pueden encontrarse en una gran variedad de tipos preestablecidos. Southern Group es capaz de ofrecer distintas soluciones de resistores personalizados en respuesta a las necesidades reales de cada cliente. Si tiene alguna necesidad particular no dude en contactarnos para diseñar un resistor que se adapte a sus aplicaciones.
Southern Group ofrece una amplia gama de resistencias para automoción, como por ejemplo resistencias para ventiladores de motor, resistencia de ignición RXC, etc. Las diferentes partes del coche necesitan distintos tipos de resistor. Elija el resistor que más le convenga en función de sus aplicaciones.
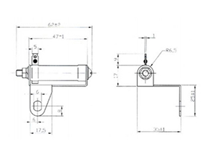
La resistencia para ventiladores de motor se utiliza para controlar la corriente en un circuito eléctrico, y así regular la velocidad del ventilador. Por lo que este tipo de resistencia garantiza el funcionamiento correcto del motor del coche.
Parámetros
Potencia: 40W
Resistencia: 0.36Ω
La resistencia bobinada para vehículos posee un recubrimiento de cerámica, lo que le confiere gran resistencia de voltaje. Asimismo, también posee cualidades ignífugas proporcionando una seguridad adicional. Por otra parte, la resistencia bobinada de cerámica para vehículos posee una gran precisión y estabilidad, siendo aptos para su aplicación en sistemas de control automáticos, sistemas de regulación de frecuencia, unidades de potencia, sistema de audio del vehículo, etc.
Parámetros básicos
Potencia nominal: 20W
Resistencia nominal y tolerancia: 100Ω±5%
90Ω±5%
| Característica | Método de prueba | Requisitos |
| Resistencia del aislante | DC500V; 1min | ≥100MΩ |
| Fuerza dieléctrica | AC1500V(entre el resistor y la carcasa) : 1 min | No hay daño visible; △R≤±(1% R+0.05Ω) |
| Sobrecarga en periodo corto | 10X potencia nominal: 5s | No hay daño visible; △R≤±(2%R+0.05Ω) |
| Resistencia maxima | Tensión vertical: 20N and 10s | No hay daño visible; △R≤±(1% R+0.05Ω) |
| Resistencia al calor desprendido por la soldadura | 260℃; 5s | △R≤±(1% R+0.05Ω) |
| Vibración | 10-500Hz; amplitud: 0.75mm; x, y, y z: 6h total | △R≤±(1% R+0.05Ω) |
| Soldabilidad | 235℃±5℃; 2+0.5s; altura de inmersión: 6mm±1 | Zona recubierta de soldadura nueva≥95% |
| Resistencia a la humedad | RH:90-95%; Temperatura: 40±2℃; exposición a humedad: 96h | △R≤±(5%R+0.1Ω) Resistencia del aislante>100MΩ |
| Ciclo de vida | 25℃±2℃; 0.5h encendido y 1.5h apagado: 1000h | △R≤±(5%R+0.1Ω) |
| Coeficiente de temperatura | ≤±250ppm/℃ |
El resistor de tipo abierto para coche está fabricado con una soldadura por puntos. Su estructura es ignífuga, y posee una inductancia menor que 10nH. Estas cualidades lo hacen perfecto para los inductores de corriente, unidades de reacción, aparatos de baja inductancia, etc.
Características básicas
Potencia nominal: 5W
Resistencia nominal: 40Ω
Desviación permitida: ±10%
La resistencia de ignición RXC está diseñada especialmente para el encendido del motor de vehículos. Su mayor resistencia ignifuga y a las condiciones atmosféricas, contribuye activamente a la mejora del funcionamiento en encendido de motores de automoción.
Parámetros
Potencia: 20W
Resistencia: 4Ω±5%
La resistencia de estufa eléctrica es un tipo de resistor no inductivo. Suele usarse para disminuir la vibración y así proteger los demás elementos electrónicos del circuito, normalmente en aparatos de alta precisión. La resistencia de estufa eléctrica de Southern Group es modificable con respecto a potencia y límites de resistencia, para adaptarse a sus necesidades.
Desde 1989, hemos permanecido en la industria de fabricación de componentes electrónicos pasivos, y durante todo este tiempo hemos diseñado algunos resistores especializados para su aplicación en la industria automotriz, los cuales se muestran en esta página. También ofrecemos otros tipos de resistores aptos para maquinaria pesada, camiones, todoterrenos, y demás. Si no encuentra el resistor adecuado para usted, póngase en contacto con nosotros y háganos saber lo que necesita, para poder proporcionarle componentes electrónicos en función de sus aplicaciones.
Changzhou Southern Electronic Element Factory Co., Ltd.
Dirección: West No.6 Building, Xinxin Intelligent Industrial Park, No.1 Xinchang Road, Wuxing Street, Zhonglou District, Changzhou City, Jiangsu Province, P. R. China.
Persona de contacto: Safe Liu
Fax: +86-0519-83295710
Tel.: +86-0519-83976620