Los transformadores de línea series EER/ERL/ETD tienen un núcleo central de forma cilíndrica, facilitando el embobinado de cable. Este diseño aumenta la sección transversal, así como la salida de corriente del bobinado, lo cual lo hace perfecto para transformadores de alta potencia con múltiples salidas.
Parámetros



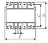
| Modelo | Número de patillas | Dimensiones (mm) | |||||
| A | B | C+/-0.5 | D+/-0.5 | E | F | ||
| ER25.5 | 8 | 19.5 | 19.7 | 12.5 | 4 | 5 | 25.5 |
| ER28 | 12 | 30.5 | 23 | 17.5 | 4 | 5 | 31 |
| ER28 | 12 | 23.1 | 28.2 | 25 | 4 | 5 | 29.1 |
| ER28 | 12 | 36 | 27 | 20 | 4 | 5 | 30 |
| ER28 | 12 | 26.3 | 37.1 | 30 | 4 | 5 | 30.2 |
| ER33 | 14 | 37.5 | 28 | 22.5 | 4 | 5 | 36 |
| ER35 | 14 | 43.5 | 28 | 22.5 | 4 | 5 | 35.5 |
| ER35 | 16 | 29.1 | 40.3 | 35.4 | 4 | 5 | 40.3 |
| ER39 | 16 | 46 | 31.1 | 25 | 4 | 5 | 43.1 |
| ER39 | 16 | 33 | 41.5 | 30.85 | 4 | 7.5 | 42.3 |
| ER40 | 16 | 48 | 31.1 | 25 | 4 | 5 | 43.1 |
| ER4215 | 14 | 45.5 | 30 | 25 | 4 | 5 | 42 |
| ER4220 | 14 | 44 | 37.5 | 36 | 4 | 5 | 42 |
Southern Group es un fabricante de transformadores electrónicos a medida fundada hace más de 30 años. Hemos manufacturado grandes cantidades de transformadores de alta frecuencia, sobre todo para los fabricantes de interruptores y cargadores. Esta experiencia nos ha conferido una amalgama de modelos que han ido añadiéndose a nuestro catálogo. Por si fuera poco, fabricamos transformadores electrónicos a medida, además de otros componentes como resistores e inductores.
Changzhou Southern Electronic Element Factory Co., Ltd.
Dirección: West No.6 Building, Xinxin Intelligent Industrial Park, No.1 Xinchang Road, Wuxing Street, Zhonglou District, Changzhou City, Jiangsu Province, P. R. China.
Persona de contacto: Safe Liu
Fax: +86-0519-83295710
Tel.: +86-0519-83976620