Las resistencias bobinadas de Southern Group tienen un revestimiento de cerámica con propiedades aislantes insuperables. Y por si fuera poco, este revestimiento también participa activamente en la disipación térmica del resistor gracias a las propiedades térmicas de la superficie de cerámica, lo que los hace ideales para el trabajo en altas temperaturas.
Southern Group fabrica resistencias cerámicas de diferentes potencias, incluyendo 2W, 7W, 10W, etc. El tamaño, resistencia, potencia y forma son personalizables en función de las peticiones de los clientes.
Propiedades de las resistencias cerámicas R27
Propiedades
Método de prueba
Requisitos
Tolerancia del resistor
E24 ±5% ±10%
Fuerza dieléctrica
AC1500V: 1minuto
AC1500V1 minuto
Sin rotura de aislamiento ni salto de corriente
Soldabilidad
265 ±5℃, 2s+0.5s, altura de inmersión: 1.5~2.0mm
265 ±5℃, 2s+0.5s, 1.5~2.0mm
△R≤ ± (1%R+0.05Ω ) No hay daño visible. Zona recubierta de nueva soldadura: >95%.
Resistencia máxima
Tensión axial: 20N for 10s±1s
20N: 10s±1s
△R≤ ± (1%R+0.05Ω) No hay daño visible
Sobrecarga en período corto
10x Potencia nominal: 5s
10x Potencia nominal por 5s
△R≤ ± (1%R+0.05Ω) No hay daño visible
Coeficiente de temperatura
≤±250PPM/℃
Resistencia al calor desprendido por la soldadura
360℃±10℃, altura de inmersión: 3~3.5mm
350℃±10℃ 3~3.5mm
△R≤± (1%R+0.05Ω ) No hay daño visible
Vibración
Min{10-500HZ y 0.75mm, 98m/s²}; x, y, z: total 6h
Min{10-500HZ y 0.75mm, 98m/s²}; x, y, z: total 6h
△R≤± (1%R+0.05Ω ) No hay daño visible
Vida útil
1.5h encendido y 0.5h apagado: 1000h
1.5h encendido y 0.5h apagado: 1000h
△R≤± (5%R+0.1 Ω ) R≥1GΩ
Resistencia a la humedad
40℃ y RH=90-95%: 96h
40℃ y RH 90-95%: 96h
△R≤± (5%R+0.1 Ω ) R≥100MΩ
Temperatura
△T≤250℃
Curva de deriva
Modelos
RX27-1
RX27-1
RX27-2
RX27-2
Modelo
Potencia nominal (W)
Intervalo de resistencia (Ω)
Dimensiones (mm)
A/B
C
Φ
h
RX27-1-2
RX27-2-2
2
0.15-200
6.4 ±1
17.5±1.2
0.8
1.5
RX27-1-3
RX27-2-3
3
0.20-390
8.0±1
22.0±1.5
0.8
1.5
RX27-1-5
RX27-2-5
5
0.24-680
9.5 ±1
22.0±1.5
0.8
1.5
RX27-1-7
RX27-2-7
7
0.33-500
9.5 ±1
35.0±1.5
0.8
3.0
RX27-1-10
RX27-2-10
10
0.51-2000
9.5 ±1
48.0±1.5
0.8
3.0
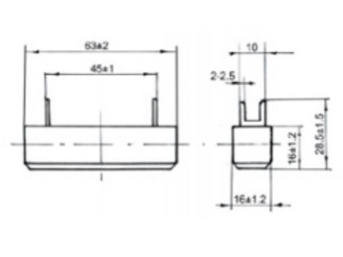
RX27-1-15
15
1.00-2400
12.5±1.2
48.0±1.5
1.0
RX27-1-20
20
1.00-3000
12.5±1.2
63.5 ±2.0
1.0
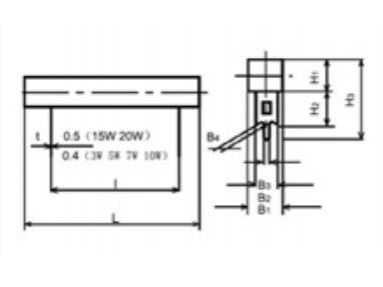
RX27-1V
Modelo
Potencia nominal (W)
Intervalo de resistencia (Ω)
Dimensiones (mm)
L1
L2
L3
L4
H1
H2
t
RX27-1V-7
7
0.33-1500
47±2.0
8
4
5
1.5
11
0.5
RX27-1V-10
10
0.51-2000
60±2.5
8
4
5
1.5
11
0.5
RX27-1V-15
15
1.00-2400
61.5± 2.5
9
4.5
6.5
2.5
14
0.5
RX27-1V-20
20
1.00-3000
77.0 ±3.0
9
4.5
6.5
2.5
14
0.55
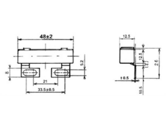
RX27-3A
Modelo
Potencia nominal (W)
Intervalo de resistencia (Ω)
Dimensiones
(mm)
L
I
B1/H1
82
B3
B4
H2
H3
RX27-3A-3
3
0.20-390
24 ±1
12.5
9.0 ±1
5
1.4
1.6
10
23.5
RX27-3A-5
5
0.24-680
27 ±1
15
9.5 ±1
5
1.4
1.6
10
24
RX27-3A-7
7
0.33-500
35±1.5
22.5
9.5 ±1
5
1.4
1.6
10
24
RX27-3A-10
10
0.51-2000
48 ±1.5
35
9.5 ±1
5
1.4
1.6
10
24
RX27-3A-15
15
1.00-2400
48 ±1.5
32.5
12.5±1
10
2.7
3.0
17
34.6
RX27-3A-20
20
1.00-3000
63±1.5
50.0
12.5±1
10
2.7
3.0
17
34.6
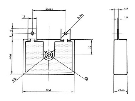
RX27-3B
Modelo
Potencia nominal (W)
Intervalo de resistencia (Ω)
Dimensiones (mm)
L
I
RX27-38-5
5
0.24-680
27±1.5
15±2
RX27-3B-7
7
0.33-1200
35±1.5
22.5±2
RX27-38-10
10
0.51-1800
48±1.5
35±2
RX27-3B-15
15
1.0-2200
48 ±1.5
32.5±2
RX27-38-20
20
1.0-2700
63.5±1.5
55±2
RX27-3C
Modelo
Potencia nominal (W)
Intervalo de resistencia (Ω)
Dimensiones (mm)
L
I
RX27-3C-15
15
1.0-2200
48.0±1.5
32.5±1.0
RX27-3C-20
20
1.0-2700
63.5±1.5
50.0±1.0
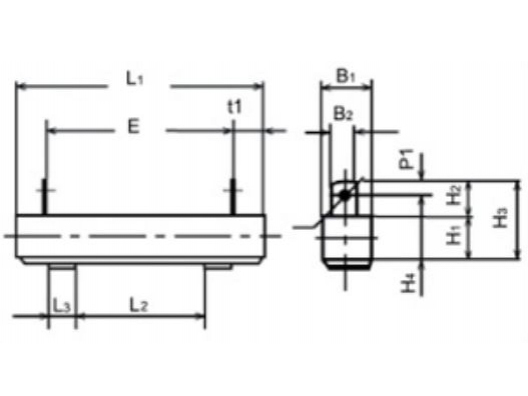
RX27-4
Modelo
Potencia nominal (W)
Intervalo de resistencia (Ω)
Dimensiones (mm)
L1
L2
L3
B1-H1
B2
H3
H4
P1
E
T1
dl
RX27-4-10
10
0.51-2000
48.0 ±1.0
25±1.0
4.5
9.5±1.0
5
16.5 +0.5 -1.0
0.8
2.5
33.0-2
0.4
2.0
RX27-4-15
15
1.00-2400
48.0 ±1.0
25±1.0
7.0
12.5±12
6
21.0 +2.0 -1.0
1.0
3.0
34.0-2
0.5
2.0
RX27-4-20
20
1.00-3000
63.5 ±1.0
25±1.0
7.0
12.5±12
6
21.0 +2.0 -1.0
1.0
3.0
49.5-3
O.5
2.5
RX27-4-25
25
1.20-3600
63.5±1.0
25±1.0
8.0
16.0±12
7.5
29.0 +3.0 -1.5
1.0
3.5
46.5-3
O.5
3.0
RX27-4-30
30
1.50-4300
75.0±1.2
40±1.2
10.0
19.0±15
7.5
30.0 +3.0 -1.5
1.0
3.5
56.0-4
O.5
3.0
RX27-4-40
40
1.80-5600
90.0±2.5
40±2.5
10.0
19.0±15
7.5
30.0 +3.0 -1.5
1.0
3.5
71.0-4
O.5
3.0
RX27-4HS / RX27-4HV
Modelo
Potencia nominal (W)
Intervalo de resistencia (Ω)
Dimensiones (mm)
L1
D1
Φd
B1 -H1
RX27-4 HSHV-10
10
0.51-2000
48.0±1.0
25±1.0
4.5
9.5±1.0
RX27-4 HSHV -15
15
0.51-2400
48.0±1.0
25±1.0
4.0
12.5±1.2
RX27-4 HSHV -20
20
1.00-3000
63.5±1.0
25±1.0
4.0
12.5±1.2
RX27-4 HSHV -25
25
1.20-3600
63.5±1.0
25±1.0
4.0
16.0±1.2
RX27-4 HSHV -30
30
1.50-4300
75.0±1.0
40±1.2
4.0
19.0±1.2
RX27-4 HSHV -40
40
1.80-5600
90.0 ±2.5
40±2.5
4.0
19.0±1.5
RX27-4HW
Potencia nominal: 100W
Intervalo de resistencia: (1Ω~20KΩ)
Tolerancia del resistor: ±5%;±10%
RX27-4HL
Potencia nominal: 5W-20W
Intervalo de resistencia: (0.5Ω~200K)
Tolerancia del resistor: ±5%-±10%
RX27-4T
Potencia nominal: 10W-20W
Intervalo de resistencia: (2Ω~51KΩ)
Tolerancia del resistor: ±5%;±10%
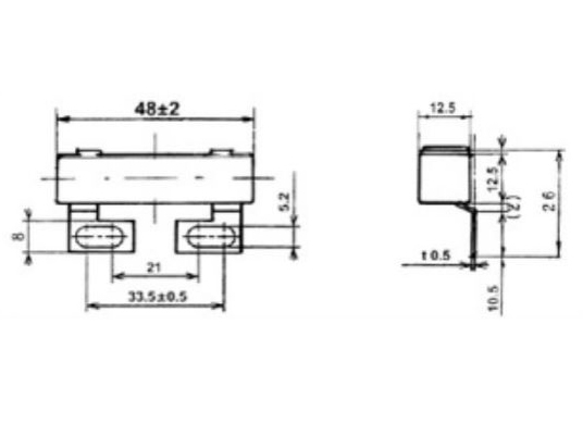
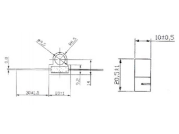
RGG(RX27-5)
Modelo
Potencia nominal (W)
Intervalo de resistencia (Ω)
Dimensiones (mm)
A
B
C
E
D
RGG2
2
0.22-270
11 ±1
7±1
20±1
5 ±1
0.8
RGG3
3
0.27-680
12 ±1
8±1
25±1
5 ±1
0.8
RGG5
5
0.27-680
13 ±1
9±1
26±1
5 ±1
0.8
RGG7
7
0.68-1200
13 ±1.5
9±1
38.5±1.5
5 ±1
0.8
RGG10
10
1.0-1800
16±1.5
13±1
35±1.5
7.5 ±1
0.8
RGG20
20
0.2-2000
20±1.5
9±1
50 ±1.5
10 ±1
0.8
RGCW(RX27-7)
Modelo
Potencia nominal (W)
Intervalo de resistencia (Ω)
Dimensiones (mm)
A
B
C
F
R6CW2
2
1.0-50
6±1
15±1
10±1
9±1
RGCW3
3
1.0-50
6±1
15±1
13±1
9±1
RQCW5
5
1.0-100
6±1
15±1
18 ±1
9±1
RGCW(RX27-6)
Modelo
Potencia nominal (W)
Intervalo de resistencia (Ω)
Dimensiones (mm)
A
B
C
D
F
RGC22
2+2
(0.1-1) x2
5±0.5
9±1
26±1
13
20±1
RGC33
3+3
(0.1-1) x2
5±0.5
13±1
26±1
13
20±1
RGC55
5+5
(0.1-1) x2
6±0.5
17±1
26±1
13
20±1
Modelo
Potencia nominal (W)
Intervalo de resistencia(Ω)
Dimensiones (mm)
A
B
C
D
F
RGC2
2
0.1-1
5±0.5
9 ±1
14±1
13
9±1
RGC3
3
0.1-1
5±0.5
13±1
14±1
13
9±1
RGC5
5
0.1-1
5±0.5
17±1
14±1
13
9±1
RGC10
10
0.1-1
5 ±0.5
17±1
26±1
13
20±1
RX27-8
Potencia nominal: 80W
Intervalo de resistencia: (2Ω~100KΩ)
Tolerancia del resistor: ±5%-±10%
RX27-8-80WA
Potencia nominal: 80W
Resistance: 1.4Ω±5%
RX27-Z
Potencia nominal: 15W
Intervalo de resistencia: (1Ω~24KΩ)
Tolerancia del resistor: ±5%-±10%
RX27-8B
Potencia nominal: 50W
Intervalo de resistencia: 1Ω~200KΩ
Tolerancia del resistor: ±5%-±10%
RX27-O
Parámetros de comportamiento
NO.
Propiedades
Método de prueba
Características
1.
Potencia nominal
5W
2.
Temperatura máxima
-55℃>-275℃
3
Coeficiente de temperatura
≤±500PPM/℃
4.
Tolerancia del resistor
±1%,±5%,±10%
5
Sobrecarga en period corto
2.5x potencia nominal: 5 segundos
△R±(0.5%R+0.05Ω )
6
Fuerza dieléctrica
1500VAC: 60Seg. (Terminal paralelo al cuerpo del resistor)
△R±(0.5%R+0.05Ω ) Sin daño estructural, ni rotura de aislamiento ni salto de corriente.
7
Vida útil
25℃, potencia nominal: 1000h (1.5h-encendido y 0.5h apagado)
△R±(1%R+0.05Ω ) No hay daño visible.
8
Resistencia a la humedad
40℃±2 , 90-95%RH: 96h
△R±(1.5%R+0.05Ω ) No hay daño visible.
Curva de deriva
Southern Group es líder en la fabricación de componentes electrónicos pasivos, y poseemos miles de máquinas bobinadoras para la producción de resistores, inductores y transformadores. Nuestra extensa selección de resistencias bobinadas posee múltiples modelos y series con distintas especificaciones a elegir. Si no encuentra lo que está buscando en nuestro catálogo, o tiene peticiones específicas, no dude en ponerse en contacto con nosotros y le proporcionaremos soluciones a medida.
Changzhou Southern Electronic Element Factory Co., Ltd.
Dirección: West No.6 Building, Xinxin Intelligent Industrial Park, No.1 Xinchang Road, Wuxing Street, Zhonglou District, Changzhou City, Jiangsu Province, P. R. China.
Persona de contacto: Safe Liu
Fax: +86-0519-83295710
Tel.: +86-0519-83976620