La inductancia fija radial posee dos patas de plomo en un lado de la estructura, facilitando su instalación vertical en la placa de circuito impreso.
Aplicaciones
Televisiones, VCR, equipos de ofimática, ordenadores, y demás equipos electrónicos.
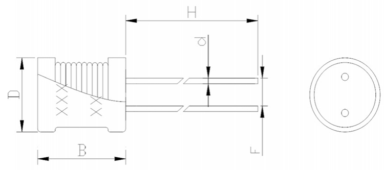
Plano dimensional
Formas y dimensiones / (Unidad:mm)
Modelo
D±1
Bmax
F±0.5
d±0.1
H
LGB-X/S0406
4.5
8
2.5
0.5
10min
LGB-X/S0507
5.5
9
2.5
0.6
LGB-X/S0608
6.5
10
3.0
LGB-X/S0810
8.5
12
5.0
LGB-X/S0912
9.5
14
5.0
0.8
LGB-X/S1012
10.5
15
5.0
LGB-X/S1415
14.5
17
7.5
Para los tamaños especiales podemos fabricar inductores a medida.
Parámetros
Características de los modelos LGB/ LGB-X(S) 0406
Número de serie
L (μH)
TOL
Qmin
Fr ( MHz)
SRF (MHz)
Rdc (Ω)
Idc (mA)
LGB-S/X0406-1R0M
1.0
±20%
80
7.96
200
0.10
1400
LGB-S/X0406-1R2M
1.2
70
170
0.13
1200
LGB-S/X0406-1R5M
1.5
70
140
0.15
1200
LGB-S/X0406-1R8M
1.8
70
130
0.17
1100
LGB-S/X0406-2R2M
2.2
70
120
0.20
1100
LGB-S/X0406-2R7M
2.7
70
110
0.22
1000
LGB-S/X0406-3R3M
3.3
70
90
0.24
1000
LGB-S/X0406-3R9M
3.9
70
70
0.26
1000
LGB-S/X0406-4R7M
4.7
70
55
0.28
800
LGB-S/X0406-5R6M
5.6
70
40
0.30
800
LGB-S/X0406-6R8M
6.8
70
35
0.35
800
LGB-S/X0406-8R2M
8.2
65
30
0.35
700
LGB-S/X0406-100K
10
±10%
65
2.52
25
0.46
650
LGB-S/X0406-120K
12
65
20
0.48
600
LGB-S/X0406-150K
15
65
15
0.55
500
LGB-S/X0406-180K
18
65
15
0.65
500
LGB-S/X0406-220K
22
60
14
0.72
400
LGB-S/X0406-270K
27
60
13
0.78
400
LGB-S/X0406-330K
33
60
12
0.87
400
LGB-S/X0406-390K
39
60
11
0.90
400
LGB-S/X0406-470K
47
58
10
0.98
320
LGB-S/X0406-560K
56
55
9.0
1.50
300
LGB-S/X0406-680K
68
55
8.5
1.90
300
LGB-S/X0406-820K
82
53
8.0
2.50
300
LGB-S/X0406-101K
100
±10%
50
0.796
7.0
3.00
200
LGB-S/X0406-121K
120
50
6.3
3.80
200
LGB-S/X0406-151K
150
50
5.7
4.50
200
LGB-S/X0406-181K
180
50
5.3
5.00
200
LGB-S/X0406-221K
220
50
5.0
5.80
200
LGB-S/X0406-271K
270
50
4.5
6.50
150
LGB-S/X0406-331K
330
50
4.0
7.00
150
LGB-S/X0406-391k
390
50
3.8
7.70
150
LGB-S/X0406-471k
470
50
3.5
8.00
120
LGB-S/X0406-561k
560
50
3.2
8.50
120
LGB-S/X0406-681k
680
50
3.0
9.50
120
LGB-S/X0406-821k
820
50
2.8
15.0
100
LGB-S/X0406-102K
1000
±10%
50
0.252
2.5
17.0
100
LGB-S/X0406-122K
1200
50
2.3
20.0
80
LGB-S/X0406-152K
1500
50
2.1
22.0
80
LGB-S/X0406-182K
1800
50
1.8
25.0
70
LGB-S/X0406-222K
2200
50
1.6
26.0
60
LGB-S/X0406-272K
2700
45
1.36
40.0
40
LGB-S/X0406-332K
3300
45
1.27
50.0
30
LGB-S/X0406-392K
3900
45
1.20
55.0
30
LGB-S/X0406-472K
4700
45
1.06
60.0
30
LGB-S/X0406-562K
5600
45
1.02
65.0
30
LGB-S/X0406-682K
6800
45
0.96
72.0
30
LGB-S/X0406-822K
8200
45
0.93
80.0
20
Características de los modelos LGB/ LGB-X(S) 0507
Número de serie
L (μH)
TOL
Qmin
Fr ((MHz)
SRF (MHz)
Rdc (Ω)
Idc (mA)
LGB-S/X0507-1R0M
1.0
±20%
80
7.96
120
0.02
3500
LGB-S/X0507-1R2M
1.2
70
100
0.02
3100
LGB-S/X0507-1R5M
1.5
70
90
0.02
3000
LGB-S/X0507-1R8M
1.8
70
70
0.02
2800
LGB-S/X0507-2R2M
2.2
70
55
0.03
2500
LGB-S/X0507-2R7M
2.7
70
50
0.03
2200
LGB-S/X0507-3R3M
3.3
70
50
0.04
2000
LGB-S/X0507-3R9M
3.9
70
35
0.04
1900
LGB-S/X0507-4R7M
4.7
70
30
0.05
1800
LGB-S/X0507-5R6M
5.6
70
30
0.05
1700
LGB-S/X0507-RR8M
6.8
70
25
0.06
1300
LGB-S/X0507-8R2M
8.2
65
25
0.06
1100
LGB-S/X0507-100K
10
±10%
65
2.52
22
0.08
1000
LGB-S/X0507-120K
12
65
20
0.10
950
LGB-S/X0507-150K
15
65
16
0.11
900
LGB-S/X0507-180K
18
50
14
0.11
800
LGB-S/X0507-220K
22
50
14
0.12
600
LGB-S/X0507-270K
27
50
12
0.14
550
LGB-S/X0507-330K
33
50
10
0.16
500
LGB-S/X0507-390K
39
45
9.0
0.18
500
LGB-S/X0507-470K
47
45
9.0
0.20
450
LGB-S/X0507-560K
56
35
8.0
0.22
450
LGB-S/X0507-680K
68
35
8.0
0.30
400
LGB-S/X0507-820K
82
35
7.0
0.34
400
LGB-S/X0507-101K
100
±10%
30
0.796
6.0
0.36
350
LGB-S/X0507-121K
120
30
5.5
0.44
300
LGB-S/X0507-151K
150
30
4.5
0.52
300
LGB-S/X0507-181K
180
30
3.5
0.65
250
LGB-S/X0507-221K
220
25
4.0
0.75
240
LGB-S/X0507-271K
270
25
3.5
1.00
200
LGB-S/X0507-331K
330
25
3.0
1.3
180
LGB-S/X0507-391k
390
25
2.7
1.4
160
LGB-S/X0507-471k
470
25
2.5
1.6
160
LGB-S/X0507-561k
560
25
2.4
2.0
120
LGB-S/X0507-681k
680
25
2.2
2.3
140
LGB-S/X0507-821k
820
25
2.0
2.7
130
LGB-S/X0507-102K
1000
±10%
50
0.252
2.2
3.1
120
LGB-S/X0507-122K
1200
50
1.5
4.6
110
LGB-S/X0507-152K
1500
50
1.3
5.3
100
LGB-S/X0507-182K
1800
50
1.2
6.2
90
LGB-S/X0507-222K
2200
±10%
50
0.252
1.1
6.8
80
LGB-S/X0507-272K
2700
45
1.0
10
60
LGB-S/X0507-332K
3300
45
0.95
12
60
LGB-S/X0507-392K
3900
45
0.90
13
55
LGB-S/X0507-472K
4700
45
0.90
15
55
LGB-S/X0507-562K
5600
45
0.80
22
50
LGB-S/X0507-682K
6800
45
0.75
25
45
LGB-S/X0507-822K
8200
45
0.70
28
45
Características de los modelos LGB/ LGB-X(S) 0608
Número de serie
L (μH)
TOL
Qmin
Fr ( MHz)
SRF (MHz)
Rdc (Ω)
Idc (mA)
LGB-S/X0608-1R0M
1.0
±20%
85
7.96
100
0.02
4400
LGB-S/X0608-1R2M
1.2
85
90
0.02
4000
LGB-S/X0608- 1R5M
1.5
85
80
0.03
3560
LGB-S/X0608-1R8M
1.8
80
65
0.04
3500
LGB-S/X0608-2R2M
2.2
80
55
0.05
3000
LGB-S/X0608-2R7M
2.7
80
50
0.06
2800
LGB-S/X0608-3R3M
3.3
75
40
0.06
2500
LGB-S/X0608-3R9M
3.9
75
38
0.07
2300
LGB-S/X0608-4R7M
4.7
75
36
0.07
2000
LGB-S/X0608-5R6M
5.6
70
35
0.075
1800
LGB-S/X0608-6R8M
6.8
70
30
0.075
1500
LGB-S/X0608-8R2M
8.2
70
25
0.08
1400
LGB-S/X0608-100K
10
±10%
25
2.52
16
0.09
1300
LGB-S/X0608-120K
12
25
15
0.10
1100
LGB-S/X0608-150K
15
25
13
0.11
1050
LGB-S/X0608-180K
18
25
12
0.12
1000
LGB-S/X0608-220K
22
25
11
0.12
960
LGB-S/X0608-270K
27
25
10
0.17
920
LGB-S/X0608-330K
33
25
8.8
0.19
880
LGB-S/X0608-390K
39
20
8.4
0.22
860
LGB-S/X0608-470K
47
20
8.2
0.23
830
LGB-S/X0608-560K
56
20
7.9
0.29
810
LGB-S/X0608-680K
68
20
7.0
0.37
750
LGB-S/X0608-820K
82
20
6.5
0.39
740
LGB-S/X0608-101K
100
±10%
30
0.796
5.7
0.44
710
LGB-S/X0608-121K
120
30
5.2
0.64
680
LGB-S/X0608-151K
150
30
4.7
0.73
600
LGB-S/X0608-181K
180
35
4.2
0.82
540
LGB-S/X0608-221K
220
35
3.7
0.92
450
LGB-S/X0608-271K
270
35
3.5
1.3
420
LGB-S/X0608-331K
330
35
3.2
1.5
400
LGB-S/X0608-391K
390
40
2.9
1.8
370
LGB-S/X0608-471K
470
40
2.4
2.3
340
LGB-S/X0608-561K
560
40
2.2
3.0
280
LGB-S/X0608-681K
680
40
2.0
3.25
250
LGB-S/X0608-821K
820
40
1.6
4.16
230
LGB-S/X0608-102K
1000
80
1.5
4.55
210
LGB-S/X0608-122K
1200
80
1.4
5.20
200
Características de los modelos LGB/ LGB-X(S)0608
Número de serie
L (μH)
TOL
Qmin
Fr ( MHz)
SRF (MHz)
Rdc (Ω)
Idc (mA)
LGB-S/X0608-152K
1500
±10%
75
0.796
1.3
6.54
150
LGB-S/X0608-182K
1800
75
1.2
7.54
140
LGB-S/X0608-222K
2200
75
1.1
8.32
130
LGB-S/X0608-272K
2700
75
1.0
9.62
120
LGB-S/X0608-332K
3300
75
0.85
10.92
110
LGB-S/X0608-392K
3900
75
0.78
16.12
90
LGB-S/X0608-472K
4700
75
0.68
17.81
80
LGB-S/X0608-562K
5600
75
0.62
20.0
70
LGB-S/X0608-682K
6800
75
0.61
27.3
65
LGB-S/X0608-822K
8200
75
0.60
31.2
50
LGB-S/X0608-103K
10000
70
0.0796
0.48
39.0
45
LGB-S/X0608-123K
12000
70
0.44
42.9
40
LGB-S/X0608-153K
15000
70
0.35
65.0
35
LGB-S/X0608-183K
18000
70
0.30
72.8
30
LGB-S/X0608-223K
22000
70
0.28
82.55
30
LGB-S/X0608-273K
27000
70
0.25
95.42
25
LGB-S/X0608-333K
33000
70
0.23
135.2
25
LGB-S/X0608-393K
39000
70
0.20
154.7
20
LGB-S/X0608-473K
47000
70
0.16
172.9
20
Características de los modelos LGB/ LGB-X(S)1012
Número de serie
L (μH)
TOL
Qmin
Fr ( MHz)
SRF (MHz)
Rdc (Ω)
Idc (mA)
LGB-S/X1012-4R7K
4.7
±10%
5
0.01
0.05
4700
LGB-S/X1012-150K
15
5
0.05
3000
LGB-S/X1012-200K
20
5
0.042
2500
LGB-S/X1012-101K
100
5
0.18
1200
LGB-S/X1012-151K
150
5
0.27
1000
LGB-S/X1012-202K
2000
5
4.4
300
LGB-S/X1012-153K
15000
5
14.3
20
Características de los modelos LGB/ LGB-X(S)0810
Número de serie
L (μH)
TOL
Qmin
Fr ( MHz)
SRF (MHz)
Rdc (Ω)
Idc (mA)
LGB-S/X0810-1R0M
1.0
±20%
90
7.96
100
0.02
3400
LGB-S/X0810-1R2M
1.2
90
90
0.02
3400
LGB-S/X0810-1R5M
1.5
95
80
0.02
3400
LGB-S/X0810-1R8M
1.8
95
75
0.03
3300
LGB-S/X0810-2R2M
2.2
100
70
0.03
3000
LGB-S/X0810-2R7M
2.7
100
60
0.04
3000
LGB-S/X0810-3R3M
3.3
100
56
0.04
3000
LGB-S/X0810-3R9M
3.9
100
52
0.05
2900
LGB-S/X0810-4R7M
4.7
100
30
0.05
2900
LGB-S/X0810-5R6M
5.6
100
30
0.06
2600
LGB-S/X0810-6R8M
6.8
90
20
0.06
2500
LGB-S/X0810-8R2M
8.2
80
17
0.06
2000
LGB-S/X0810-100K
10
±10%
90
2.52
12
0.10
1600
LGB-S/X0810-120K
12
90
11
0.10
1400
LGB-S/X0810-150K
15
90
10
0.10
1300
LGB-S/X0810-180K
18
80
9.0
0.11
1200
LGB-S/X0810-220K
22
70
8.0
0.13
1100
LGB-S/X0810-270K
27
70
7.0
0.14
1000
LGB-S/X0810-330K
33
70
7.0
0.16
900
LGB-S/X0810-390K
39
70
6.0
0.16
800
LGB-S/X0810-470K
47
70
5.5
0.16
700
LGB-S/X0810-560K
56
60
5.5
0.22
700
LGB-S/X0810-680K
68
60
5.0
0.23
600
LGB-S/X0810-820K
82
60
4.5
0.27
500
LGB-S/X0810-101K
100
40
0.796
4.5
0.29
400
LGB-S/X0810-121K
120
40
4.5
0.33
400
LGB-S/X0810-151K
150
40
4.5
0.46
350
LGB-S/X0810-181K
180
40
4.0
0.51
350
LGB-S/X0810-221K
220
40
3.5
0.62
300
LGB-S/X0810-271K
270
30
3.0
0.65
250
LGB-S/X0810-331K
330
30
3.0
0.79
250
LGB-S/X0810-391K
390
30
2.5
0.91
200
LGB-S/X0810-471K
470
30
2.5
1.2
180
LGB-S/X0810-561K
560
30
2.0
1.2
160
LGB-S/X0810-681K
680
30
2.0
1.5
140
LGB-S/X0810-821K
820
25
2.0
1.7
140
LGB-S/X0810-102K
1000
50
0.252
2.0
2.0
120
LGB-S/X0810-122K
1200
45
1.5
2.3
100
LGB-S/X0810- 152K
1500
45
1.5
2.9
80
LGB-S/X0810- 182K
1800
45
1.5
3.5
70
LGB-S/X0810-222K
2200
50
1.0
4.2
60
Características de los modelos LGB/ LGB-X(S)0810
Número de serie
L (μH)
TOL
Qmin
Fr ( MHz)
SRF (MHz)
Rdc (Ω)
Idc (mA)
LGB-S/X0810-272K
2700
±10%
50
0.252
1.0
5.1
60
LGB-S/X0810-332K
3300
50
0.9
6.1
50
LGB-S/X0810-392K
3900
50
0.8
7.8
50
LGB-S/X0810-472K
4700
55
0.7
11
45
LGB-S/X0810-562K
5600
55
0.6
11
45
LGB-S/X0810-682K
6800
55
0.6
14
40
LGB-S/X0810-822K
8200
60
0.6
15
35
LGB-S/X0810-103K
10000
100
0.0796
0.5
20
35
LGB-S/X0810-123K
12000
100
0.4
24
35
LGB-S/X0810-153K
15000
100
0.4
28
30
LGB-S/X0810-183K
18000
100
0.4
42
30
LGB-S/X0810-223K
22000
100
0.3
43
25
LGB-S/X0810-273K
27000
100
0.3
55
25
LGB-S/X0810-333K
33000
90
0.3
65
25
LGB-S/X0810-393K
39000
90
0.2
87
20
LGB-S/X0810-473K
47000
85
0.2
98
20
LGB-S/X0810-563K
56000
80
0.2
128
20
LGB-S/X0810-683K
68000
70
0.2
141
20
LGB-S/X0810-823K
82000
70
0.2
161
20
LGB-S/X0810-104K
100000
55
0.2
180
20
Características de los modelos LGB/ LGB-X(S)1415
Números de serie
L (μH)
TOL
Qmin
Fr ( MHz)
SRF (MHz)
Rdc (Ω)
Idc (mA)
LGB-S/X1415-141K
135
±10%
5
0.01
0.2
2500
LGB-S/X1415-101K
100
5
0.1
3000
LGB-S/X1415-301K
300
5
0.35
1500
LGB-S/X1415-371K
370
5
0.35
1200
LGB-S/X1415-451K
450
5
0.35
1000
LGB-S/X1415-551K
550
5
0.35
1000
LGB-S/X1415-561K
560
5
0.49
1000
LGB-S/X1415-801K
800
5
0.5
700
LGB-S/X1415-302K
3000
5
2.65
300
LGB-S/X1415-402K
4000
5
3.0
200
Características de los modelos LGB/ LGB-X(S)0912
Número de serie
L (μH)
TOL
Qmin
Fr ( MHz)
SRF (MHz)
Rdc (Ω)
Idc (mA)
LGB-S/X0912-100K
10
±10%
110
2.52
24
0.04
2800
LGB-S/X0912-120K
12
110
18
0.04
2700
LGB-S/X0912-150K
15
110
11
0.05
2300
LGB-S/X0912-180K
18
90
8.4
0.06
2100
LGB-S/X0912-220K
22
90
8.2
0.07
2000
LGB-S/X0912-270K
27
90
7.1
0.10
1700
LGB-S/X0912-270K
33
90
7.1
0.12
1500
LGB-S/X0912-390K
39
80
6.9
0.12
1400
LGB-S/X0912-470K
47
70
6.0
0.13
1300
LGB-S/X0912-560K
56
70
5.7
0.14
1200
LGB-S/X0912-680K
68
60
5.4
0.15
1000
LGB-S/X0912-820K
82
50
4.6
0.16
900
LGB-S/X0912-101K
100
60
0.796
4.0
0.25
700
LGB-S/X0912-121K
120
60
3.6
0.28
700
LGB-S/X0912-151K
150
55
3.1
0.32
700
LGB-S/X0912-181K
180
55
2.8
0.47
600
LGB-S/X0912-221K
220
55
2.5
0.53
500
LGB-S/X0912-271K
270
50
2.4
0.60
450
LGB-S/X0912-331K
330
50
2.0
0.85
400
LGB-S/X0912-391K
390
50
2.0
0.95
350
LGB-S/X0912-471K
470
40
1.9
1.1
350
LGB-S/X0912-561K
560
30
1.8
1.2
300
LGB-S/X0912-681K
68
30
1.7
1.3
250
LGB-S/X0912-821K
820
30
1.5
1.4
200
LGB-S/X0912-102K
1000
70
0.252
1.1
2.0
200
LGB-S/X0912-122K
1200
70
1.0
2.3
180
LGB-S/X0912-152K
1500
70
1.0
2.9
150
LGB-S/X0912-182K
1800
70
0.9
3.3
120
LGB-S/X0912-222K
2200
70
0.7
4.5
110
LGB-S/X0912-272K
2700
70
0.7
5.5
80
LGB-S/X0912-332K
3300
60
0.6
5.7
80
LGB-S/X0912-392K
3900
60
0.6
6.5
60
LGB-S/X0912-472K
4700
60
0.6
7.2
180
LGB-S/X0912-562K
5600
60
0.5
9.5
50
LGB-S/X0912-682K
6800
60
0.5
11
50
LGB-S/X0912-822K
8200
50
0.4
13
50
LGB-S/X0912-103K
10000
100
0.0796
0.3
16
40
LGB-S/X0912-123K
12000
100
0.3
18
40
LGB-S/X0912-153K
15000
90
0.3
21
40
LGB-S/X0912-183K
18000
90
0.3
23
40
Los modelos anteriormente mencionados son nuestros modelos en stock de las inductancias fijas radiales. Con 30 años de experiencia en la fabricación de componentes electrónicos pasivos, somos capaces de personalizar tres tipos distintos de inductancias fijas para los clientes.
Changzhou Southern Electronic Element Factory Co., Ltd.
Dirección: West No.6 Building, Xinxin Intelligent Industrial Park, No.1 Xinchang Road, Wuxing Street, Zhonglou District, Changzhou City, Jiangsu Province, P. R. China.
Persona de contacto: Safe Liu
Fax: +86-0519-83295710
Tel.: +86-0519-83976620